What is a Ground Fault Circuit Interrupter (GFCI)?

What is a ground fault circuit interrupter?
A GFCI is used to detect and prevent ground faults. A ground fault is an accidental current flow to the ground through the human body or other paths, which may result in electric shock injury. GFCI provides immediate protection by continuously monitoring current changes in the circuit and quickly responding to anomalies.The main function of the ground fault circuit breaker is to constantly monitors the current on the neutral and live lines in the circuit. When all is well, the current on both lines should be exactly the same. Once the live wire is directly grounded (for example, someone accidentally touches the live wire), the current on the live wire will suddenly jump, while the neutral wire will not.
When this is detected, the GFCI immediately disconnects the circuit to prevent electrocution injuries. Because the GFCI does not have to wait for the current to rise to dangerous levels before taking action, it responds much faster than conventional circuit breakers.
What are the advantages of ground fault circuit interrupter?
Ground fault circuit interrupter play an important role in modern electrical safety, especially for some devices that must operate by human like industrial control equipment. In addition to this, here are some other benefits that GFCI offers:
GFCI is widely used in various fields, such as some large high-rise buildings, or shopping malls and public places, and can also be used in office buildings, senior hotels, stations and airports and other special buildings.
Accurate fault judgment
A standard GFCI has high accuracy to detect the circuit fault, it can find the fault in the first time and make an accurate judgment. And it can distinguish the normal arc and the process arc in each area, so that we can reduce the trouble in the work, and can accurately know which area has a fault.
Positioning area functions
It can accurately locate the fault area, that is, it can not only find the fault point, but also transmit the position information to the monitoring equipment in a timely manner, so that the staff can find the fault in the first time and carry out targeted fault removal through the accurate positioning of the detector.
Sensitive alarm system
GFCI has alarm system at the same time is very sensitive, once the fault arc is detected, he himself will issue an alarm signal, and it is an alarm signal in the form of sound and light, so that the message sent to this equipment, you can receive the fault report for the first time, then timely release, you can prevent many fires and other large-scale disasters.
How many types of ground fault circuit interrupter?
Depending on the application and installation method, ground fault circuit interrupter can be divided into several main types:1. Socket type GFCI
A receptacle-type GFCI is a GFCI device that is integrated into a common power outlet. It is often used to replace traditional electrical outlets, providing additional shock protection. The socket type GFCI is suitable for use in homes and small business establishments, especially in areas with high humidity, such as bathrooms and kitchens.
2. Circuit breaker GFCI
The circuit breaker type GFCI is integrated into the circuit breaker in the electrical panel to protect outlets and devices throughout the circuit. It is usually used in situations where the entire circuit needs to be protected, such as in a garage or basement. The circuit breaker type GFCI is installed in the distribution box and provides circuit level protection.
3. Portable GFCI
A portable GFCI is a temporary protective device that plugs into a standard outlet and provides protection for mobile electrical equipment. Portable GFCI is suitable for use in environments that require temporary protection, such as outdoor construction sites or temporary event Spaces.
4. Mounted GFCI
Mounted GFCI is a device that is installed in a switchboard or control panel, typically in industrial applications or large buildings, to provide ground fault protection over a wide area.
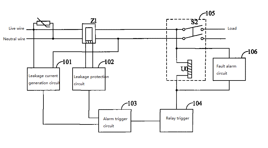
How does a ground fault circuit interrupter work?
Ground fault circuit interrupter detects the leakage current and ground fault current in the circuit to determine whether there is a ground fault, and once a ground fault is found, it will quickly cut off the circuit. Its working principle is based on the current contact between the electrical equipment and the human body. When the human body is in contact with the equipment, the leakage current forms a loop in the human body, resulting in an electric shock to the human body. The ground fault circuit interrupter can detect the leakage current in time, cut off the circuit, and protect people's lives.Specifically, the GFCI utilizes a detector to monitor the difference in current between a power cord (usually a hot wire) and a neutral line. If the detector senses a current difference of more than 4 to 6 milliamps, which usually indicates that there is a current leaking to the ground, the GFCI will trigger the circuit breaker, quickly cutting off power and preventing an electric shock accident.
Here is a detailed working process when the a GFCI running:
When a ground fault occurs, the fault current passes through the current
sensor, and the sensor converts the current signal into a voltage signal for processing. The fault detection unit will judge and process the voltage signal transmitted by the sensor.
When the current exceeds the set value, the fault judgment unit will
send a command signal to the disconnect unit, requiring it to perform the disconnect operation. The disconnect unit is responsible for performing the disconnect operation.
When the disconnect command is received, the break unit quickly opens
the contact of the circuit breaker to block the flow of the fault current. The whole working process is automatic.
When a ground fault occurs in the system, the ground fault circuit
breaker can quickly detect and disconnect the fault current to protect the normal operation of the power system.
Differences Between GFCI and Circuit Breakers
Though Ground Fault Circuit Interrupters (GFCI) and circuit breakers both furnish protection against ground faults, they diverge significantly in their application and installation. These distinctions encompass:1. Installation Position
GFCIs are conventionally installed at terminal socket locations, safeguarding individual sockets or clusters thereof. Conversely, circuit breakers are positioned within the electrical panel to shield the entire circuit.
2. Protection Scope
GFCIs primarily defend themselves and other sockets powered by the same outlet. In contrast, circuit breakers offer protection to the entire circuit, encompassing all connected outlets and devices.
3. Application Scenarios
GFCIs are apt for areas necessitating specialized protection, such as bathrooms and kitchens. Circuit breakers are ideal for environments where the entire circuit requires safeguarding, such as basements or garages.
4. Maintenance and Testing
GFCIs typically feature test and reset buttons, facilitating user inspections and maintenance. Circuit breakers also possess testing capabilities but necessitate operation within the electrical panel.
Application Areas of GFCI
Ground Fault Circuit Interrupters are extensively utilized across various environments, delivering diverse safety measures:1. Domestic Environment - bathrooms, kitchens, garages, and outdoor areas
2. Commercial Buildings - restaurants, office kitchens, and similar locations.
3. Industrial Sites - electrical control panels and equipment operation areas.
4. Outdoor Applications - campsites, construction sites, and temporary power setups.
5. Medical Facilities
6. Automotives
Why choose Jinftry?
Jinftry is a leading supplier of electrical components, offering several types of ground fault circuit interrupters and other electronic parts. Our GFCI products are suitable for a variety of applications, covering the home, commercial and industrial sectors. We are committed to providing high quality, safe and reliable components to meet the diversified needs of customers.Our main product including but not limited to:
Integrated Circuits (ICs)
Discrete Semiconductor
Circuit Protection
Capacitors
Resistors
Potentiometers, Variable Resistors
Transformers, Coils, Magnetics
Isolators
Crystals, Oscillators, Resonators
Connectors, Interconnects
Switches, Relays
Sensors, Transducers
Optoelectronics
IGBTs
CISSOID High Temperature Semiconductor
All of our components are in line with international electrical safety standards, and have been strictly tested and certified to ensure product quality and performance. You are welcome to contact us or click our website https://www.jinftry.com/ to get your components.
Statement:
All articles (images, texts, audio) on this site are uploaded and shared by users, or integrated from relevant internet sources, only for user's learning. If your rights are violated, please contact the administrator to delete! Link to this article: https://www.jinftry.com

