What is a crystal and its function?

What is a crystal?
A crystal, also known as a passive crystal oscillator, is a non-polar component with two pins that requires a clock circuit to generate oscillation signals and cannot oscillate on its own. It is an electronic component that drives a quartz crystal through an external circuit to generate oscillation signals.
What is the working principle of crystals?
A crystal is composed of a crystal oscillator, an amplifier, and an output circuit. When the external power supply is turned on, the amplifier will amplify the weak signal output by the crystal oscillator and then output it through the output circuit. The resonant frequency generated by the crystal in a crystal oscillator is constant, so the frequency of the crystal is very stable and can be used as a clock signal in electronic systems.
The working principle of crystals is based on the piezoelectric effect and resonance principle. The piezoelectric effect refers to the phenomenon in which certain crystalline materials with electrical properties can generate charges when subjected to external pressure. Quartz crystals have excellent piezoelectric effects. By plating electrodes on both sides of a quartz crystal plate and applying voltage, the quartz crystal undergoes deformation due to the piezoelectric effect, resulting in a sinusoidal waveform signal.
After passing through the internal shaping and PLL circuit of the IC, this signal generates a square wave, which is then input to the lower level circuit. The resonance principle refers to the oscillation of a crystal in a working circuit by introducing voltage. When a certain input power or signal is given to the external environment, the crystal can only emit a specific oscillation frequency due to the limitation of its equilibrium lifetime, and transmit this frequency to the external circuit to provide a clock signal for the circuit

What are the features of crystals?
1. High stability: Crystals have high stability and can provide accurate clock signals over a wide temperature range.
2. High precision: Crystals have high precision and can provide high-precision clock and timing signals to meet the needs of various devices.
3. Low power consumption: Crystals have low power consumption characteristics and can operate at low power supply voltages, extending the service life of equipment.
4. Small size: Crystals have the characteristics of small volume and light weight, suitable for applications in various small electronic devices.
5. Non polarized component: A crystal is a non polarized component with two pins and no power supply voltage. Its signal level is determined by the oscillation circuit and is variable.
6. External circuit required: The crystal itself cannot oscillate and requires the assistance of a clock circuit to generate oscillation signals.
7. Low price: Due to its relatively simple structure, the price of the crystal is usually low, making it suitable for DSPs with various voltage and clock signal requirements.
What are the advantages and disadvantages of crystals?
Compared to other oscillators, crystals have the following advantages:1. Good stability: Due to the use of quartz crystals, its frequency is very stable, almost reaching the ppm level.
2. High adjustability: Crystals have a high frequency adjustable range, which can meet the needs of different applications.
3. Strong anti-interference ability: Due to its good stability, crystals are usually able to resist certain electromagnetic, temperature, and other interferences.
1. Higher power consumption: Due to the need to drive its operation, crystals have higher power consumption compared to resonators and other devices.
2. Higher price: Compared to other oscillators, the cost of the crystal is higher
What is the function of crystals?
1、 As a clock reference source:In digital circuits, the basic function of crystals is to provide a standard timing control to ensure that the digital circuit can complete specific tasks at specific times according to the design.
Crystals provide the basic clock signal for the system, keeping all parts synchronized.
Crystals have excellent frequency stability and the ability to resist external interference, and the frequency accuracy in the circuit is controlled by the reference frequency.
It is like a ruler, providing reference frequencies for various parts of accessories such as graphics cards, network cards, WIFI modules, Bluetooth modules, GPS, etc., ensuring the stability of the device's operating frequency.
Crystals, based on the piezoelectric effect characteristics, can serve as frequency components to provide accurate and stable input frequency signals for clock chips.
The clock chip is based on the input frequency signal and performs operations such as frequency division, multiplication, PLL, etc. to generate the frequency required for each part of the chip and PCB board.
What are the classifications of crystals?
1. Vibration frequency classification: Crystals can be classified into different types according to the frequency of oscillation, such as low-frequency crystal oscillators, intermediate frequency crystal oscillators, high-frequency crystal oscillators, etc. Among them, high-frequency crystal oscillators are the most widely used.
2. Device packaging classification: Crystals can be classified into two types based on their packaging form: patch type crystals and plug-in type crystals.
3. Classification of resonance modes: There are mainly two modes: series resonance and parallel resonance. In series resonant mode, the crystal resonator and parallel capacitor form a series resonant circuit; In parallel resonance mode, the resonator and capacitor are connected in parallel to form a parallel resonant circuit.
4. Power consumption classification: Low power crystal oscillators and high-power crystal oscillators are usually divided into two categories, with low-power ones mostly used for battery powered electronic devices.

What fields can crystals be applied to?
1. In the field of computer science: Crystals are widely used in computer motherboards, graphics cards, hard disk controllers, and other devices to provide clock and timing signals, ensuring the normal operation of the equipment.
2. Communication field: Crystals are applied in mobile communication, broadband communication and other fields to provide clock signals and timing signals, enabling communication devices to communicate normally.
3. In the field of industrial control: Crystals are used in industrial control equipment such as PLCs and industrial computers to provide clock signals and timing signals, ensuring the normal operation of the equipment.
Passive crystal Oscillators vs. Active crystal oscillator
The difference between active crystal oscillators and passive crystal oscillators mainly lies in the following aspects:
Crystal (passive crystal oscillator): It has 2 pins and is a non-polar component with simple packaging. Common packaging forms include two pin plug-in packaging and four pin patch packaging. The two pin plug-in packaging does not distinguish between positive and negative poles, while the four pin patch crystal is relatively thin.
Active crystal oscillator: It has 4 pins and is a complete oscillator, usually packaged in a larger size.
Crystal (passive crystal oscillator): It requires an external clock circuit to generate oscillation signals and cannot oscillate on its own.
Active crystal oscillator: With only a power supply, it can output relatively good waveforms.
Crystal (passive crystal oscillator): The signal quality is poor, and precise matching of peripheral circuits (capacitors, inductors, resistors, etc. used for signal matching) is usually required. When replacing crystals with different frequencies, corresponding adjustments need to be made to the peripheral configuration circuits.
Active crystal oscillator: stable signal, good quality, and relatively simple connection method.
Crystal (passive crystal oscillator): With a maximum accuracy of 5ppm, it is low-cost, simple, and widely used in various electronic products, such as watches, clocks, and wireless communication devices as frequency references or clock sources.
Active crystal oscillator: The accuracy can reach 0.1ppm, and the higher the accuracy, the better the frequency stability. Suitable for applications that are sensitive to timing requirements.
Crystals (passive crystal oscillators): The price is usually lower.
Active crystal oscillator: relatively expensive, signal level is fixed, so it is necessary to choose a suitable output level, and the flexibility is poor.
Instructions for using crystals
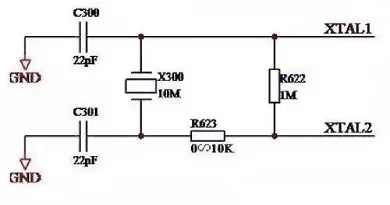
1. Connect crystalsThe crystal needs to be connected to the clock input pin of the circuit. Generally speaking, crystals need to be connected to an oscillating circuit consisting of several capacitors and a resistor. The output signal of the oscillation circuit can be used for clock synchronization and other applications after being amplified by an amplifier.
The frequency of a crystal is determined by its resonant frequency. Therefore, in order to set the frequency of the crystal, it is necessary to select a suitable crystal and connect it to the oscillation circuit. Generally speaking, the frequency of a crystal is related to the capacitance and resistance of the oscillating circuit, and needs to be adjusted according to the specific circuit design.
The use of crystals requires attention to the following points:
(1) Crystals need to be used together with oscillating circuits and cannot be directly connected to the circuit.
(2) Crystals need to be selected appropriately and adjusted according to circuit design.
(3) The frequency stability of crystals is very high, but it may change in special environments such as high temperature, low temperature, and humidity. It is necessary to pay attention to the influence of environmental factors on crystals.
(4) When using crystals, attention should be paid to preventing the oscillator from being affected by external interference, such as electromagnetic interference
Statement
All articles (images, texts, audio) on this site are uploaded and shared by users, or integrated from relevant internet sources, only for user's learning. If your rights are violated, please contact the administrator to delete! Link to this article: https://www.jinftry.com.
E2E-C04N03-WC-B1-5M│ E36D351HPN822MEE3U│ EBC05MMSN│ EBC10DCCH-S189│ ECA40DRTI│ ECC12DRAI-S734│ ECC70DCWI│ ECJ26DMCN│ ECM44DSAI│ ED590-7-DS│ EFO-PS6004E5│ EGR03-25│ EHT-122-01-S-D-SM-23-P│ EHT-122-01-S-D-SM-LC-22-K│ EJH-125-01-F-D-SM-46│ EKMG250ELL470ME11D│ EL8302ISZ-T13_152│ ELXS421VSN181MR25S│ EM357-MOD-LR-RF-T│ EP1SGX25DF672C7_187│ ERA-3AHD430V│ ERA-8AEB2212V│ ERC5037R900DEEK500│ ERC50536R00FHEA500│ ERC50715R00BEEK500│ ERC5088R700FEEB500│ ERC5513K700BEEK600│ ERC5563K400DKEK500│ ERJ-14NF1803U│ ERJ-H2RF15R0X│ ERJ-H3ED1910V│ ERJ-P6WF1471V│ ERJ-PA2F2053X│ ERJ-PA3J512V│ ERJ-S02F7150X│ ERJ-S06D6650V│ ERJ-S06F6342V│ ERJ-S12D19R6U│ ERJ-U01F1781C│ ERJ-U03D3321V│ ERJ-U03F1201V│ ERJ-U12J1R2U│ ERJ-UP3F62R0V│ ERL0511M000GNEK500│ ERM5-060-04-0-S-DV-TR│ ERM8-050-02-0-L-DV-DSS-K-TR│ ERZ-C20EK361Y│ ESM28DRTF-S13│ ESQ-117-14-G-D-LL│ ESQ-121-34-S-T-LL│ ESQ-125-39-G-S-LL│ ESQ-135-33-G-S│ ESQT-103-03-G-D-312-006│ ESQT-103-03-M-S-358│ ESQT-108-03-G-D-380│ ESQT-113-02-F-D-781│ ESQT-114-03-G-T-400│ ESQT-146-03-H-6-375│ ESQT-150-02-F-D-705│ ESW-105-48-S-S│ ESW-127-48-L-D│ ESW-132-24-G-D│ ET60S-03-24-02-L-RT1-GP│ EV0961500000G│ EXB-N8V563JX│ F339MX254731KKP2T0│ F461KG823G160L│ FC-135-32-7680KA-AC5│ FCC17B25PB4DB│ FD225R17ME3│ FFA-1S-304-CLAC62│ FLE-111-01-GF-DV-A│ FMF200FRF73-4K7│ FMP100FRF52-80K6│ FOD817D300│ FSI-140-10-L-D-E-K│ FTMH-140-02-L-DV-A-TR│ FTS-110-03-L-DV-S-P│ FTSH-108-01-FM-DV-A│ FTSH-137-05-F-DV│ FTSH-139-04-G-MT│ FTSH-148-01-SM-MT-TR│ FW-05-05-F-D-411-169│ FW-06-02-L-D-350-065│ FW-08-01-L-D-350-075│ FW-09-03-F-D-255-140-P│ FW-10-03-L-D-293-107│ FW-25-02-L-D-410-120│ FW-33-04-L-D-370-150│ G2RV-SL700-AC230│ G8P-1C4P-DC48│ GA3-12D45Z│ GB8PI│ GBU8M-E3-51│ GEC36DRES-S93│ GMC21X7R222K50NT│ GMC43DRXI-S734│ GRM0335C2A820JA01J│ GRM1555C1H560FA01D│ GRM2166S1H270JZ01D│ GRM2166S1H270JZ01D│ GSA15DRMD-S288│ GTCL00F14S-6S-B30│ GTCL01F32-22S-027-B30│ GTCR36-750M-R10│ GTS07R36-5SX│ GTS447N301HR│ GTT38A-TPR-BLH-B0-H1-CT-VPT│ GW-JCLMS1-EC-GTHP-5L7N-L1N2│ H16WD6075│ HBC08DRTI-S93│ HBC20DRYS│ HDWM-20-57-S-D-345-SM-A-P│ HEDL-5500-G12│ HEX40-AB-45-17-A6-3│ HHV-50FT-52-8M87│ HM17-664101LF│ HMC1048LC3BTR-R5│ HMC565-SX│ HPS0631503JKB15│ HSC10DRTI│ HSC18DRYH-S13│ HVR6800004303JAC00│ HZ4B3TD-E│ IEGF66-32427-3-V│ IHLW5050CEER1R5M01│ IHSM3825EB3R3L│ IPB075N04LG│ IRF6810STR1PBF│ IRG7PH50UPBF│ IS42VM16800G-6BLI│ ISO7831FDW│ JCK3012D05│ JTG06RT-14-5S│ JTP02RE-16-35P-LC│ KF0970500000G│ KJB6T25J61SB│ KJB7T13F8PA│ KJB7T23F21JD│ KNP1WSJT-52-0R75│ KO119A7325│ KTR10EZPJ151│ L06P700S05│ L77TWA11W1SESV4FA203│ LED75W-200-C0350-D│ LFG480303SQDINR│ LJT06RT-11-2S-014│ LKS1J182MESY│ LM2901PWRG4│ LM337BD2TR4G│ LM4040DIM7-2-5-NOPB│ LMX2331UTM-P4984144│ LP2980IM5X-4-7│ LQH3NPZ2R2MGRL│ LQW18CN15NJ00D│ LT3020IMS8-1-5-TRPBF│ LT6238HGN-TRPBF│ LTC2637CDE-HMI12-TRPBF│ LTC3425EUH-TRPBF│ LX64EV-3FN100C│ LY2-0-DC6│ M1330-04K│ M39003-01-2250-HSD│ M55342E02B432ARWI│ M55342E04B625ART5│ M55342E06B82A0ST5│ M55342E12B10B0SWP│ M55342K02B453ARWS│ M55342K03B309BRWS│ MAX13020ASA-T│ MAX17605ASA│ MAX3212EAI-T│ MAX3227EEAE-T│ MAX339ESE-T│ MAX4389EUT│ MAX6390XS26D4│ MAX8632ETI-T│ MAX8725ETI-TG24│ MAX8922ETB-T│ MB90522BPFV-GS-143-BND│ MB96F635RBPMC-GSAE1│ MBA02040C6194FRP00│ MC22FA202J-TF│ MC74ACT139DTR2G│ MC78M05CDTT5│ MC9S08SH4MTJR534│ MCC56-14│ MCT06030C4303FP500│ MDM-21PSK│ ME30A2402C01│ MEA1D0505SC│ MF0207FRD52-698R│ MFR-12FRF52-1R87│ MFR100FRE52-1K78│ MFR1WSDBD52-250R│ MFR2WSFTF52-27K│ MFR50SDBE52-5K62│ MHQ1005P8N2JTD25│ MI-222-IW-F4│ MI-27W-MY-S│ MIC5231-2-75YM5│ MINIHAM1C12│ MKP385412200JKM2T0│ MM3Z5V1-AQ│ MMBZ5251BS-7│ MMP100FRF13K3│ MMSZ5248BS-7-F│ MNR04M0ABJ122│ MNR18ERAPJ300│ MP6-1V-1V-1W-1W-4NN-00│ MPC8314VRAFDA│ MPI4040R3-6R8-R│ MRF1-6-5-6-PJ-59U│ MS23ANA03│ MS27466T15B5A_156│ MS27473T10F35P-CGMSS3│ MS27656T25B1S│ MS3100E16-11S_529│ MS3100F2212S│ MS3100R20-4S_529│ MS3126F12-10PW-LC│ MS3454L28-17B│ MS3474W1832S│ MS3476W12-10SX_552│ MS46SR-14-870-Q1-R-NC-AN│ MS46SR-30-870-Q1-10X-10R-NC-FP│ MS4800B-20-0680-10X-10R-RM1│ MSMLJ100AE3│ MT41K256M16TW-125-P│ MTCB1R-010-010-01│ MTV1-2PS│ MXO45-2C-1M0000│ MXR-8PA-3PB-71│ NJW4182U3-33-TE1│ NMH0515DC│ NSVBC144EPDXV6T1G│ NTP75N03R│ OPA234E-250G4│ OPA4991QPWRQ1│ OPB891L51Z│ OSTOQ231250│ P1206Z1002FBW│ P1330-563J│ P51-2000-S-B-M12-4-5OVP-000-000│ P51-500-A-F-D-20MA-000-000│ P51-750-S-H-D-4-5OVP-000-000│ PCIE-098-02-S-D-RA│ PE2010JKM070R05L│ PF0698-684NLT│ PHP00805H3521BBT1│ PIC16F720T-I-ML│ PIC16LC620-04E-SO│ PK2-56R-T│ PL1368│ PM1210-330J-RC│ PPT2-0100GKX2VS│ PS240│ PT7C5038A1-2GDE│ PTF65470R00FZBF│ PV18-8SLF-C│ PZU20BL-315│ Q8R7BXXG02E│ R5FBLKBLKFF0│ R7S921043VCBG-BC0│ RBM43DCCH│ RC0603FR-0715R4L│ RC3216F1474CS│ RCEC7505000JB│ RCL061261K9FKEA│ RCP0603W1K00GEA│ RCS0402360RJNED│ RCS2012J5R6CS│ REG101NA-5-250│ RER75FR453RCSL│ RF073M2STR│ RG1608N-3091-C-T5│ RGM06DTKS│ RK73G1ETTP1873F│ RK73H2BTTD4222D│ RLP021R540FA20│ RLP73M3AR043JTE│ RLR05C1503GSRE619│ RLR05C2673FSBSL│ RLR05C3322FSBSL19│ RLR05C5R10GSRE8│ RLR05C97R6FSBSL│ RLR07C10R0FSRE8│ RLR07C19R6FSRE5│ RLR07C3161FSB14│ RLR07C3743FPRE7│ RLR07C4221FSR36│ RLR07C9761GSB14│ RLR20C5230FSRSL│ RLR20C7500FSRE5│ RLR32C2700GPB14│ RMB1054R700JR15│ RMC18DTEI│ RMCF0402JT15R0│

